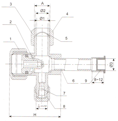
功能与用途 FJ系列空调用截止阀(针阀),采用国外同类产品的合理结构。阀体以优质的黄铜合金锻压成型,经数控加工中心(进口专机)精密切削后,由流水线自动成套严格检测。具有独特的“永不渗漏”的密封效果。广泛用于分体式空调内外机组的连接等。 | 主要技术参数: | | 额定工作压力 | 3MPa | | 使用温度 | -20℃ - +120℃ | | 适用介质 | R12、R22、R502等及其替代物 | | 泄漏量 | 1*10-5atm·cc/s | 阀体结构与外形尺寸: | 1:阀帽 | 2:阀针 | 3:阀体 | 4:纳子 | | 5:管帽 | 6:连接管 | 7:气门芯 | 8:气门芯螺帽 | | 9:防尘盖 | | | | | Φ1、Φ2、Φ3—尺寸按用户要求制造 | |
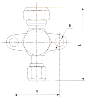
| | | 生产主要规格型号: | | 型号 | 阀口通径(mm) | 接管外径 | 接管螺纹(A) | 外型尺寸 | 安装尺寸 | 针阀内六角尺寸 | | ø | in | M*P | UNF | L | H | B | E | | FJ4JK-3 | ø4 | 6 | 1/4 | M12*1.25 | 7/16-20 | 37 | 39 | 38(40) | 2-ø7.2 | S5*9 | | FJ8JK-3 | ø6 | 9.6 | 5/16 | M16*1.5 | 5/8-18 | 63 | 46 | 2-ø7.3 | S5*9 | | FJ8JK-3 | ø8 | 10 | 3/8 | M16*1.5 | 5/8-18 | 68 | 46 | 2-ø7.4 | S5*9 | | FJ10JK-3 | ø10 | 12.7 | 1/2 | M18*1.5 | 3/4-16 | 75 | 57 | 2-ø7.5 | S6*10 | | FJ13JK-3 | ø13 | 16 | 5/8 | M22*1.5 | 7/8-14 | 85 | 59 | 2-ø7.6 | S6*10 | | FJ16JK-3 | ø16 | 19 | 3/4 | M27*2 | 1 1/16-14 | 90 | 60 | 2-ø7.7 | S6*10 | |
型号编制: | | 用户代号,以汉语拼音表示 | | 接口螺纹型式:公制用G,英制Y | | 安装孔距,单位:mm | | 连接型式代号:螺纹用L;连接管用K;法兰用F;银焊用Q;对焊用D | | 通路型式:直通不表示,直角式用K | | 阀口通径,以数字表示,单位mm | | 截止阀代号 | | 适用工质:氟里昂用F,氩用A | | |
系列截止阀外观照片:
| *连接管管径、型弯、长度、可按用户要求制做。 | |
| ▼为降低价格,节约材料,我厂生产了多种塑料纳子,配装于截止阀。 | | | | | ▲ 为方便截止阀安装,我厂生产多种螺母接头,供用户配套使用。 | |